Accident prevention Unit for large trucksSEES-1001 / 1011

Accident prevention Unit for large trucks
Detect "people" existing in the blind spot, call attention to the driver!
Accident prevention Unit for large trucks detects the "pedestrian" "bicycle" "bike" in the danger area with the camera installed at the side mirror lower side, and issues a warning with the alarm sound and the image to the driver, thereby involving Prevent accidents beforehand.
Feature
| Detects vulnerable road users through special image processing technology |
|---|
| Monitor the dangerous area with a small camera |
| Warn the driver with sound, light and video |
Specification
| Model | SEES-1001 / 1011 | |
|---|---|---|
| function | Detection target | Bike・Bicycle・Pedestrian (90 ~ 200 cm) |
| Detection range | Behind the side camera SEES-1001 1.5 m to 12 m SEES-1011 1.4 m to 8.2 m |
|
| Detection environment | Illuminance about 15 Lux or more | |
| Identification unit | Power supply | DC18V ~ 32V(Typ.17W) |
| Input signal | Plus input 5 circuits Minus input 1 circuit |
|
| Output signal | FET plus output 2 circuits | |
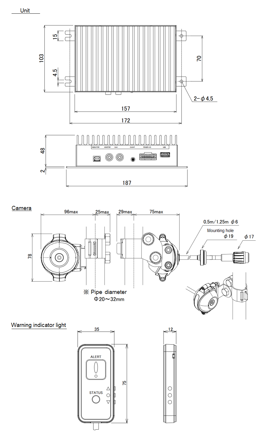
| Outline / mass | W 157 × H 48 × D 103 mm / about 1.0 kg | |
| Operating temperature | Operation: -20 ~ + 60℃ Storage: -40 ~ + 80℃ | |
| camera | Type / Number of pixels | NTSC / CMOS Approximately 350,000 pixels |
| Outline / mass | Sphere Φ55 (Holder 78 mm) / about 0.5 kg (Including camera holder) | |
| Operating temperature | Operation: -40 ~ + 85℃ Storage: -40 ~ + 100℃ | |
| Warning indicator light | Warning | Mark flashing (Red) |
| Status indication | Φ3 mm ( In operation : Green Stopped : Red) | |
| Outline / mass | W35 × H75 × D12 mm / about 20g | |
| Operating temperature | Operation: -20 ~ + 60 ℃ Storage: -40 ~ + 90℃ | |
| Monitor | Type / monitor size | NTSC / 7inch W154 × H86 mm |
| Outline / mass | W174 × H125 × D27 mm / about 0.5kg | |
| Operating temperature | Operation: -40 ~ + 60℃ Storage: -20 ~ + 70℃ | |
Outline drawing (Unit: mm)

※Specifications are subject to change without notice.
※As for the products shown in this catalog, we assume no responsibility in the event of any theft, accident causing injury or death, disaster, and environmental disruption as well as any accident damage by misuse of the equipment insufficient maintenance checks, acts of God (including lighting-induced surge), or the like.

