巻き込み事故警告システムSEES-1001 / SEES-1011

巻き込み事故警告システム
死角に存在する「人」を検知、ドライバーに注意喚起!
巻き込み事故警告システムは、サイドミラー下部に設置したカメラにより、危険エリアの「歩行者」「自転車」「バイク」を検知し、ドライバーに対しアラーム音と映像で警告を行います。
特徴
| 特殊画像処理技術により交通弱者を高精度に検知 | |
| 小型カメラで危険エリア内を監視 | |
| 音と光と映像でドライバーに警告 |
仕様
| 型式 | SEES-1001 / 1011 | |
|---|---|---|
| 機能 | 検知対象 | バイク・自転車・歩行者 (90~200cm) |
| 検知範囲 | カメラより後方 SEES-1001 約1.5m~12m以内 SEES-1011 約1.4m~8.2m以内 |
|
| 検知環境 | 照度 約15Lux以上(夜間街灯直下程度) | |
| 識別ユニット | 電源(消費電力) | DC18V ~ 32V(Typ.17W) |
| 入力信号 | プラス入力5回路 マイナス入力1回路 | |
| 出力信号 | FETプラス出力2回路 | |
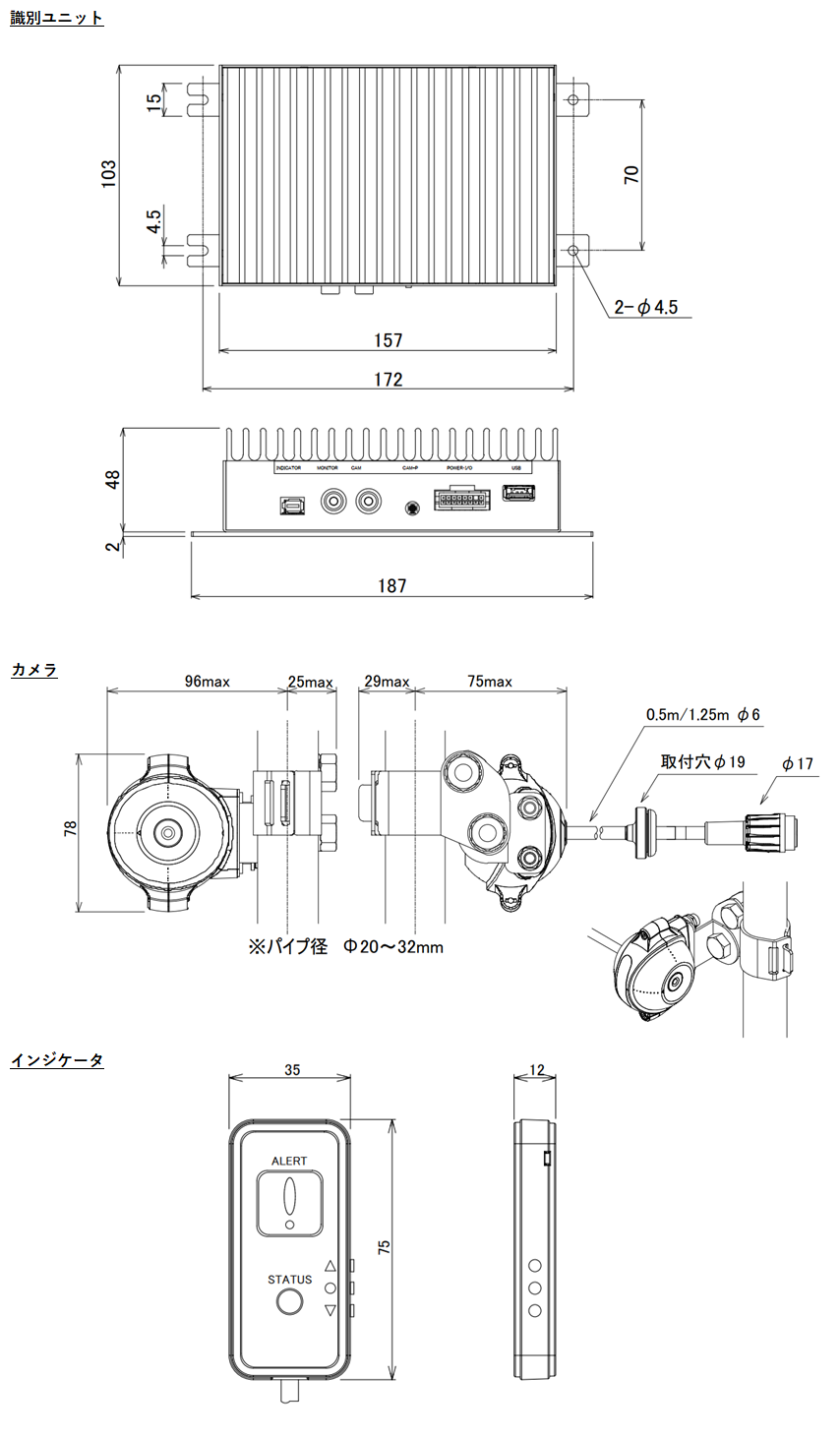
| 外形 / 質量 | 157(W) × 48(H) × 103(D)mm / 1.0kg ± 10% | |
| 温度 | 動作:-20〜+60℃ 保存:-40〜+80℃ | |
| カメラ | 方式 / 画素数 | NTSC / CMOS 約35万画素 |
| 外形 / 質量 | 球形φ55(ホルダ 78mm)/ 約0.5kg(ホルダ含む) | |
| 温度 | 動作:-40〜+85℃ 保存:-40~+100℃ | |
| インジケータ | 警告表示 | 検知時 注意マーク周辺赤点滅 |
| 状態表示 | φ3mm 動作中:緑 停止中:赤 | |
| 外形 / 質量 | 35(W) × 75(H) × 12(D)mm / 20g ± 10% | |
| 温度 | 動作:-20〜+60℃ 保存:-40〜+90℃ | |
| モニター | 方式 / 画面サイズ | NTSC / 7インチ 154(W) × 86(H)mm |
| 外形 / 質量 | 174(W) × 125(H) × 27(D)mm / 0.5kg | |
| 温度 | 動作:-10~+60℃ 保存:-20~+70℃ | |
外形図(単位:mm)

※仕様は予告なく変更することがあります。
※この商品は、万一発生した盗難事故、人身事故、災害事故、環境破壊事故および機器のご使用方法の誤り、保守点検の不備、天災地変(誘導雷サージ含む)などによる事故損害については、責任を負いかねますのでご了承ください。

